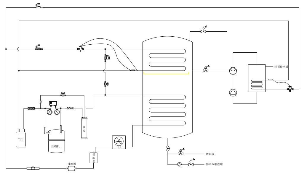
该低温真空蒸馏设备主要功能是在真空负压作用下把沸点降低,使原液加热后在三十多度沸腾蒸发,蒸发出来的蒸汽经过冷凝系统凝结成液态水通过排水槽排出,根据水质比重的不同浓缩减量出水率最大可以达到95%。通过该设备浓缩减量处理,可以大大减轻企业废液处理的成本,并且设备占地面积小,移动便捷,自动化程度高,无需外接蒸汽源与外围冷却水,只需提供电能与少量压缩空气即可。
咨询电话:18817622533
产品图片

产品特点
联系电话:
021-31322228
移动电话:(同微信)
18817622533
E-mail:
coldhan888@163.com
办公地址:
上海嘉定区嘉罗公路1661弄41号609室
版权所有 © 上海冰焓环境技术有限公司 本站内容 未经本站许可 不可商业转载